客服热线:0769-2362 2181
|
English
|
简体中文
首 页
关于我们
公司简介
知识产权
品牌简介
售后服务
产品展示
全封闭内嵌丝杆模组
W系列滑台模组
WH系列滑台模组
Q系列滑台模组
H系列滑台模组
L系列滑台模组
Z系列滑台模组
S系列滑台模组
T系列推拉杆
TX系列推旋杆
结构连接配件
电机直连配件
电机减速配件
其他配件
结构搭建
新闻中心
行业新闻
应用案例
实例图片
实例视频
技术支持
调节视频
资料下载
联系我们
联系方式
在线留言
在线商城
阿里商城
淘宝商城
产品展示
全封闭内嵌丝杆模组
W系列滑台模组
WH系列滑台模组
Q系列滑台模组
H系列滑台模组
L系列滑台模组
Z系列滑台模组
S系列滑台模组
T系列推拉杆
TX系列推旋杆
结构连接配件
电机直连配件
电机减速配件
其他配件
结构搭建
当前位置:
首页
>
产品展示
>
其他配件
>
接近开关
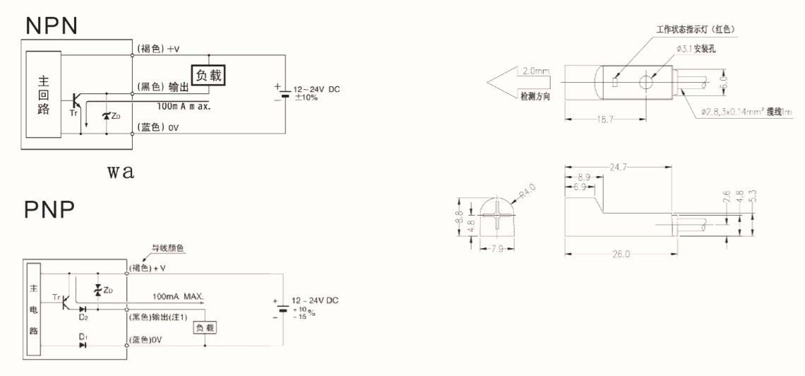
接近开关
接近开关及固定座 W系列用
已经浏览到最后一张,您可以
重新欣赏
进入首页
产品详情
名称
接近开关及固定座
型号
NPN常
开
NPN常闭
PNP常开
PNP常闭
配置
接近开关+开关固定座+螺丝螺母
适用模组规格
W系列所有规格
装配示意图
接线图
分享到:
点击次数:
点击代码
更新时间:2019-08-09 17:05:25 【
打印此页
】 【
关闭
】
上一条:没有了! 下一条:
接近开关及固定座 H、L系列用
联系我们
袁华 18007692782
王文慧 18826833920
黄乐荣 18826833910
李梦唯 13925872326
返回顶部